干簧式浮球液位控制器 |
產品型號:RUQK-71 |
|
概述:
UQK-71系列干簧式浮球液位控制器,廣泛用于民用建筑用水池、水塔、水箱,以及石油化工、造紙、食品、污水處理等行業內開口或密閉儲罐,地下池槽中各種液體的液位測量,被檢測的介質可分水、油、酸、堿、工業污水等各種導電及非導電液體,本控制器與本廠的DK-10電機控制箱配套使用可對液位進行自動控制。 |
型號說明:
結構形式(型號)
|
結果
|
功能
|
a
|
一只常開干簧(上位)
一只常閉干簧(下位)
|
高水位開泵
低水位停泵與DK-10可配套
|
b
|
一只常閉干簧(上位)
一只常開干簧(下位)
|
高水位停泵
低水位開泵與DK-10可配套
|
c
|
一只常開干簧管(上位)
一只常開干簧管(下位)
|
與DK-10電機控制箱配套實現自動控制
|
d
|
三只常開干簧管
一只常閉干簧管
|
用于上、下位液位控制和高低極限液位報警與DK-10可配套
|
e
|
一只常閉干簧管
三只常開干簧管
|
用于上、下位液位控制和高低極限液位報警與DK-10可配套
|
f
|
四只常開干簧管
|
與DK-10電機控制箱配套實現自動控制
|
(注:需控制4點以上的控制器可協商解決)
|
|
主要技術性能:
1、測量范圍
G型(不銹鋼)≤4m,(4m以上協商解決)
F型(氟塑料)≤4m
2、被測介質溫度
國產干簧管-10℃~+80℃,進口干簧管-10~+120℃
3、被測介質比重:〉0.8g/cm3
4、工作壓力:≤1.0MPa
5、干簧管觸點容量:220VAC,0.5A
|
工作原理:
在控制器中裝若干只GAG-5型大功率干簧管,當裝有磁鋼的浮球隨液位上、下時干簧管的觸點隨著發生動作,從而達到控制液位的目的。愚本廠的DK-10電機控制箱配套,可驅動泵對液位進行全自動控制。
|
|
安裝與接線:
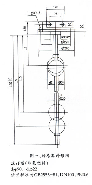
1、法蘭連接G-法蘭標準GB2555-81DN150、PN1.0;F-法蘭標準GB2555-81DN100,PN0.6(其它法蘭標準協商解決)螺紋安裝螺紋尺寸M30×2
2、傳感器與顯示儀之間的聯接線不能與交流電源線同路敷設,因為感應交流電有可能會影響儀表,同時為了避免干擾信號,盡可能使用屏蔽電纜在鐵管內敷設。
3、傳感器在被測容器上,其安裝方法見圖二,傳感器下端較好與容器底部固定牢。
4、由于受鐵路運輸的限制,大于4m以上采取分段裝箱,安裝時由用戶自行焊接,焊接后需將焊縫銼平正,并做好水壓試驗(壓力小于0.6MPa)確定不漏方可合使用,F型的傳感器還須將隨箱來的氟塑料套管套上并固定;或用戶自行解決運輸問題。 |
  |