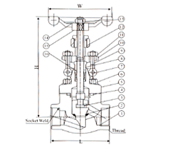
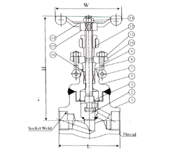
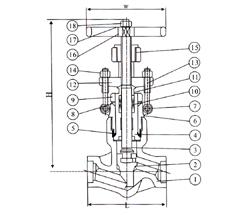
壓力自緊式閥蓋 |
產品類別:截止閥系列 |
|
產品詳細介紹:
雙正鍛鋼截止閥有三種閥蓋設計形式。第一種是螺栓式閥蓋,按這種設計形式設計的閥門,其閥體與閥蓋用螺栓螺母連接,纏繞式墊片 (316夾柔性石墨制造)密封�?蛻粲刑厥庖髸r也可采用金屬環連接。第二種設計形式是焊接式閥蓋,按這種設計形式的閥門,其閥體與閥蓋用螺紋連接,全焊密封�?蛻粲刑厥庖髸r也可采用全焊逶連接。第三種是壓力自緊式閥蓋,按這種設計形式設計的閥門,其閥體與閥蓋用螺紋連接,內壓自密封環密封。
截止閥設計結構與說明特征
截止閥的設計與制造符合 APl602,BS53 52和ASME B16.34。檢驗與測試按APl598,標記按MSS-SP-25。
|
采用以下結構:
全徑或縮徑
明桿支架式
自定心壓板壓套式
螺栓連接、纏繞墊片密封式閥蓋;螺紋連接、全焊密封式閥蓋以及螺紋連接內壓自緊式閥蓋
整體式上密封座
承插端符合 ASME B16.11
螺紋連接端 (NPT)符合ANSl/SME B1.20.1
閥瓣可變換為節流型、針型、球型和止回閥 |
鍛鋼截止閥800lb:
 
標準材質明細表
序號
|
零件名稱
|
CS to ASTM
|
AStoASTM
|
SS to ASTM
|
TypeAl05
|
Type f22
|
Type F304(L)
|
Type F316(L)
|
l
|
閥體
|
A105
|
A182 F22
|
A182 F304(L)
|
A182 F316(L)
|
2
|
閥瓣
|
A276 42()
|
A276 F304
|
A276 F304(L)
|
A276 F316(L)
|
3
|
閥桿
|
A182 F6
|
A182 F304
|
A182 F304(L)
|
A182 F316(L)
|
4
|
墊片
|
3l6夾柔性石墨
|
316夾SS+PTFE
|
5
|
閥蓋 Bonnet
|
A105
|
A276 304
|
A276 304(L)
|
A276 316(L)
|
6
|
閥蓋螺栓
|
A193 B7
|
A193 B16
|
A193 B8
|
A193 B8M
|
7
|
圓柱銷
|
A276 420
|
A276 304
|
8
|
填料壓套 Gland
|
A276410
|
A182 F304(L)
|
Al 82 F316(L)
|
q
|
活節螺栓
|
A193 B7
|
A193 B16
|
A193 B8
|
A193 B8M
|
10
|
填料壓板
|
A216 WCB
|
A351 CF8
|
11
|
螺母
|
A194 211
|
A194 4
|
A194 8
|
A194 8M
|
12
|
閥桿螺母
|
A276 410
|
13
|
螺母
|
A194 2H
|
A194 4
|
A194 8
|
A194 8M
|
14
|
銘牌
|
SS
|
15
|
手輪
|
A197
|
16
|
填料
|
柔性石墨
|
PTFE
|
適用介質
|
水、蒸汽、油品等
|
水、蒸汽、油品等
|
硝酸、醋酸等
|
適用溫度
|
-29℃~425℃
|
-29℃~550℃
|
-29℃~1捫℃
|
注意:客戶需求的其他材質也可采用。密封面材料配對由客戶指定內件代號決定。 CS=碳鋼;AS=合金鋼;SS=不銹鋼 |
尺寸(MM)和重量(KG):
NPS
|
縮徑
|
3/8
|
1/2
|
3/4
|
1
|
1 1/4
|
1 1/2
|
2
|
/
|
全徑
|
/
|
3/8
|
1/2
|
3/4
|
1
|
1 1/4
|
1 1/2
|
2
|
L
|
79
|
79
|
92
|
11 1
|
120
|
152
|
l72
|
200
|
H(開OPEN)
|
l66
|
1 66
|
171
|
207
|
240
|
258
|
330
|
355
|
W
|
100
|
1 00
|
l 00
|
1 25
|
160
|
160
|
180
|
200
|
重量
|
螺栓式
|
1 9
|
1.9
|
2.1
|
3.5
|
6.0
|
7.5
|
11.4
|
l4 6
|
焊接式
|
1 7
|
l 7
|
1 9
|
3 3
|
5 2
|
6 8
|
l0.6
|
13 8
|
|
鍛鋼截止閥 900lb-1500lb:
 
標準材質明細表
序號
|
零件名稱
|
CS to ASTM
|
AS to ASTM
|
SS to ASTM
|
TypeA105
|
Type F22
|
Type F304(L)
|
Type F316(L)
|
1
|
閥體
|
A105
|
A182 F22
|
A182 F304 F304(L)
|
A182 F316(L)
|
2
|
閥瓣
|
A276420
|
A276 304
|
A276 304(L)
|
A276 F316(L)
|
3
|
閥桿
|
A182 F6
|
A182 F304
|
Al82 F304(L)
|
A182 F316(L)
|
4
|
墊片
|
3 l 6夾柔性石墨
|
3l6夾SS+PTFE
|
5
|
閥蓋
|
A105
|
A276 304
|
A276 304(L)
|
A276 316(L)
|
6
|
閥蓋螺栓
|
A193 B7
|
A193 B16
|
A19388
|
A193 B8M
|
7
|
圓柱銷
|
A276420
|
|
|
8
|
填料壓套
|
A276410
|
A182 F304(L)
|
A182 F316(L)
|
9
|
活節螺栓
|
A193 B7
|
A193816
|
A193 B8
|
A193 B8M
|
10
|
填料壓板
|
A216 WCB
|
A35 l CF8
|
11
|
螺母
|
A1942H
|
A1944
|
A194 8
|
A194 8M
|
12
|
閥桿螺母
|
A276410
|
13
|
銷緊螺母
|
A1942H
|
A1944
|
A194 8
|
A194 8M
|
14
|
銘牌
|
SS
|
15
|
手輪
|
A 197
|
16
|
填料
|
柔性石墨
|
PTFE
|
適用介質
|
水、蒸汽、油品等
|
水、蒸汽、油品等
|
硝酸、醋酸等
|
適用溫度
|
-29℃~425℃
|
-29℃~550℃
|
-29℃~180℃
|
注意:客戶需求的其他材質也可采用。密封面材料配對由客戶指定內件代號決定。 CS=碳鋼;As合金鋼;SS不銹鋼 |
尺寸(mm)和重量(kg):
NPS
|
縮徑
|
3/8
|
1/2
|
3/4
|
1
|
1 1/4
|
1 1/2
|
2
|
/
|
全徑
|
/
|
3/8
|
1/2
|
3/4
|
1
|
1 1/4
|
1 1/2
|
2
|
L
|
92
|
111
|
111
|
120
|
152
|
l72
|
200
|
220
|
H(開OPEN)
|
171
|
207
|
207
|
240
|
258
|
330
|
355
|
370
|
W
|
100
|
1 25
|
l 25
|
160
|
160
|
180
|
200
|
240
|
重量
|
螺栓式
|
2.2
|
3.7
|
3 6
|
6.8
|
7.6
|
11.6
|
15.0
|
21.9
|
焊接式
|
2.O
|
3.4
|
3 3
|
6.O
|
5.6
|
10.3
|
14.2
|
18.0
|
|
鍛鋼自密封截止閥900lb-2500lb:

標準材質明細表
序號
|
零件名稱
|
CStoASTM
|
AStoASTM
|
SS toASTM
|
TypeAl05
|
TypeAl82F22
|
TypeAl82 F304
|
TypeAl82 F316(L)
|
l
|
閥體
|
A105
|
A182F22
|
A182 F304(L)
|
A182 F316fLl
|
2
|
閥瓣
|
A276420
|
A276 304
|
A276 304fLl
|
A276 316fLl
|
3
|
閥桿
|
A182 F6
|
A182 F304
|
A182 F304(L)
|
A182 F316fLl
|
4
|
密封座
|
A105
|
A182F304
|
A1 82 F304(L1
|
A182 F316fLl
|
5
|
密封環
|
A182 F304L
|
A182 F316fLl
|
6
|
閥蓋
|
A105
|
A182F22
|
A182F 304fL)
|
A182 F 316fLl
|
7
|
圓柱銷
|
A276 420
|
|
8
|
墊圈
|
A105
|
A182 F22
|
A182 F304(L) A182 F316(L)
|
9
|
提升螺母
|
A1942H
|
A194 4
|
A194 8 A194 8M
|
10
|
填料
|
柔性石墨
|
SS+PTFE
|
11
|
填料壓套
|
A276 420
|
A182 F304
|
12
|
填料壓板
|
A216 WCB
|
A35l CF8
|
13
|
活節螺栓
|
A19387
|
A193816
|
A19388
|
A19388M
|
14
|
螺母
|
A194 2H
|
A194 4
|
A194 8
|
A194 8M
|
l5
|
閥桿螺母
|
A276—410
|
l6
|
手輪
|
A197
|
l7
|
銘牌
|
SS
|
18
|
螺母
|
A194 2H
|
A194 4
|
A194 8
|
A194 8M
|
適用介質
|
水、蒸汽、油品等
|
水、蒸汽、油品等
|
硝酸、醋酸等
|
適用溫度
|
-29℃~425℃
|
-29℃~550℃
|
-29℃~1 80℃
|
注意:客戶需求的其他材質也可采用。密封面材料配對由客戶指定內件代號決定。 Cs=碳鋼;As=合金鋼;ss=不銹鋼 |
尺寸(MM)和重量(KG):
NPS
|
1/2″
|
3/4″
|
1″
|
1 1/4″
|
1 1/2″
|
2″
|
L
|
900~1 500Lb
|
140
|
140
|
140
|
178
|
178
|
2l6
|
2500Lb
|
186
|
186
|
186
|
232
|
232
|
279
|
H(開0PEN)
|
333
|
333
|
333
|
408
|
408
|
524
|
W
|
l60
|
160
|
180
|
200
|
250
|
280
|
重量
|
900~1 500Lb
|
11.2
|
10.5
|
10.1
|
21.0
|
19.6
|
40.4
|
2500Lb
|
12.3
|
11.6
|
10.8
|
28.0
|
26.4
|
43.8
|
|